Reparatur:

Mein Joyce erkennt
keinen Tastendruck

 


Heute will ich über einen Reparaturversuch an meiner Joyce 8256 berichten. Es ist schon einige Monate her, da hatte ich mir einen zweiten Joyce Rechner zugelegt. Wie vermutet musste ich den Laufwerksriemen im 3" Laufwerk ersetzen, dann hat der Rechner einwandfrei gebootet.

Auch sollte der Rechner um ein 3,5" B-Laufwerk erweitert und der RAM-Speichers auf 512K aufgerüstet werden.

Leider hat die Joyce nach dem Booten auf keinen Tastendruck reagiert !

Bei der Eingabe des Datums war erstmal Schluss !

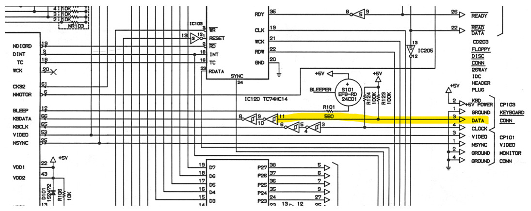
Nach dem ich die Prozessorplatine zugänglich gemacht habe, schaute ich mir an, über welchen Weg die Tastatursignale in den Rechner gelangen.

Das Keyboard wird extern über einen 4poligen DIN-Stecker am Gehäuse verbunden. Von dem DIN- Stecker führen vier Drähte zu dem Stecker CP103 auf dem CPU P.C.Board.

Eine Messung ergab, dass von der Tastatur Signale bis zu diesem Stecker gesendet, jedoch nicht bis zum CP/M weitergeleitet wurden.

Auf der Schaltung erkennt man, dass die Signale vom Keyboard über den Stecker 103, Pin 3 (DATA) zum IC120 Pin 11 führen. Das IC120 ist ein 74HC14 Schmitt Inverter.

         

Eine weitere Messung am Pin 11 ergab weiterhin; die Signale kommen an. Jedoch am Pin 10, dem Ausgang des Schmitt Inverters kam nichts mehr heraus.

Der Baustein TC74HC14P beinhaltet 6 Schmitt Inverter, von denen zwei für das Tastatursignal genutzt werden: Pin 11 nach PIN 10 und Pin 9 nach PIN 8. Ab dem Pin 10 war keinerlei Signal zu messen.

Somit habe ich einen neuen Baustein besorgt, das defekte IC ausgelötet, einen Sockel verlötet und das neue IC eingesteckt.

         

Auf dem Foto sieht man auch die RAM Erweiterung auf 512K in der oberen Reihe und die korrekt um gelötete Brücke LK1 dazu.

Jetzt ist der Rechner wieder voll einsatztauglich und nun auch mit 512K und einem 3,5" Laufwerk B.

 

Auszug aus der Klubzeitung 109 ... Juni 2026 ... Wolfgang Hess